產品分類
山東合運電氣有限公司
手機:15588886921(同微信)
官網:www.pfrxb.cn
郵箱:2466458158@qq.com
直流剎車
時間:2022-11-14 人氣: 來源:山東合運電氣有限公司
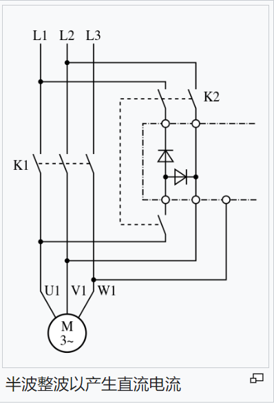
直流剎車是一種減緩交流馬達速度的方式,先將交流電源移除,再將直流電壓注入馬達中,產生剎車的力矩。若馬達是由市電供電,直流剎車可以是一個獨立的模組,若馬達是由變頻器驅動,一般會使用內建的直流剎車機能。
應用及動作原理
當馬達的交流電壓移除時,轉子會繼續轉動,會因為摩擦力使速度漸漸變慢,最后停止。若是大功率的馬達或是轉動慣量很大,可能會需要相當長的時間才能停止,若是應用需求,停止時間要短,或是需要有緊急停止的安全特性,就可以用直流剎車的方式,讓馬達較快速的停止。

直流剎車系統可以代替摩擦剎車系統,直流剎車只要需要一個小的模組,安裝位置也不需要在旋轉軸附近,相反的,摩擦剎車系統需安裝在旋轉軸附近,而且摩擦剎車系統會因為磨損而需要定期的更換。直流剎車系統沒有要定期更換的元件,因此也不需要維護。而且摩擦剎車系統需要有制動的方式,可能是人工的,或是者系統控制的制動器,增加系統的復雜度。直流剎車系統可以輕易的整合到馬達電路中。
直流剎車的缺點是馬達容易過熱,因為直流剎車是將馬達的動能消耗在馬達內部,若剎車時間過長,可能會有馬達溫度過高的問題。
直流剎車的動作原理是將直流電壓注入馬達繞組中,產生靜止的磁場,對馬達有一個固定轉子的轉矩。轉子會因此轉矩而慢慢停下來。若停止后,只要持續的給直流電壓,轉子就會停在原來的位置,并反抗使馬達運轉的外力,給的電壓越大,剎車力就越強。
變頻器中的直流剎車機能
變頻器中也有直流剎車機能,不過應用方式和上述的有些差異。
變頻器因為可以控制給馬達的頻率,因此若要讓馬達停止,最常見的方式是降低馬達頻率,使馬達漸漸減速即可,不過因為控制方式等差異,變頻器可能只能將馬達的頻率控制在某一很小的頻率(例如0.5Hz或是1.5Hz),最后會用直流剎車來讓馬達停止,稱為“停止時直流剎車”。也有些應用需要快速讓馬達停止,因此不進行降低馬達頻率的程序,直接進行直流剎車,因為從開始降速到馬達靜止的過程中,都在直流剎車,因此稱為“全領域直流剎車”。
變頻器啟動馬達之前,馬達多半是停止的,但像風扇等負載,可能因為外力而使馬達旋轉,此時啟動會產生較大的電流,因此可以一開始就先用直流剎車使馬達停止,稱為“啟動時直流剎車”。
變頻器的直流剎車一般可以設定啟動時及停止時直流剎車的時間,剎車轉矩則是用剎車電流來控制,不過因為電流仍由變頻器的IGBT流出,因此若電流過大,也可能出現過電流的故障,其至損壞IGBT。
變頻器的直流剎車也是由馬達來消耗馬達的動能,因此若長時間直流剎車,馬達的溫度也會過高。
關于直流剎車,小編為大家就分享這些。歡迎聯系我們合運電氣有限公司,以獲取更多相關知識。



魯公網安備 37010502001687號